Nixie Dice Project
|
|
| The device is designed to simulate the various dices used for role playing games. It can be set to the modes 1d3, 1d4, 1d6, 1d8, 1d10, 1d12, 1d20 and 1d100. The '100' is displayed as '00'. |
![]() |
|
|
view from above
|
controller pcb
|
![]() |
|
|
dice is 'rolling' ...
|
result of 1d100
|
|
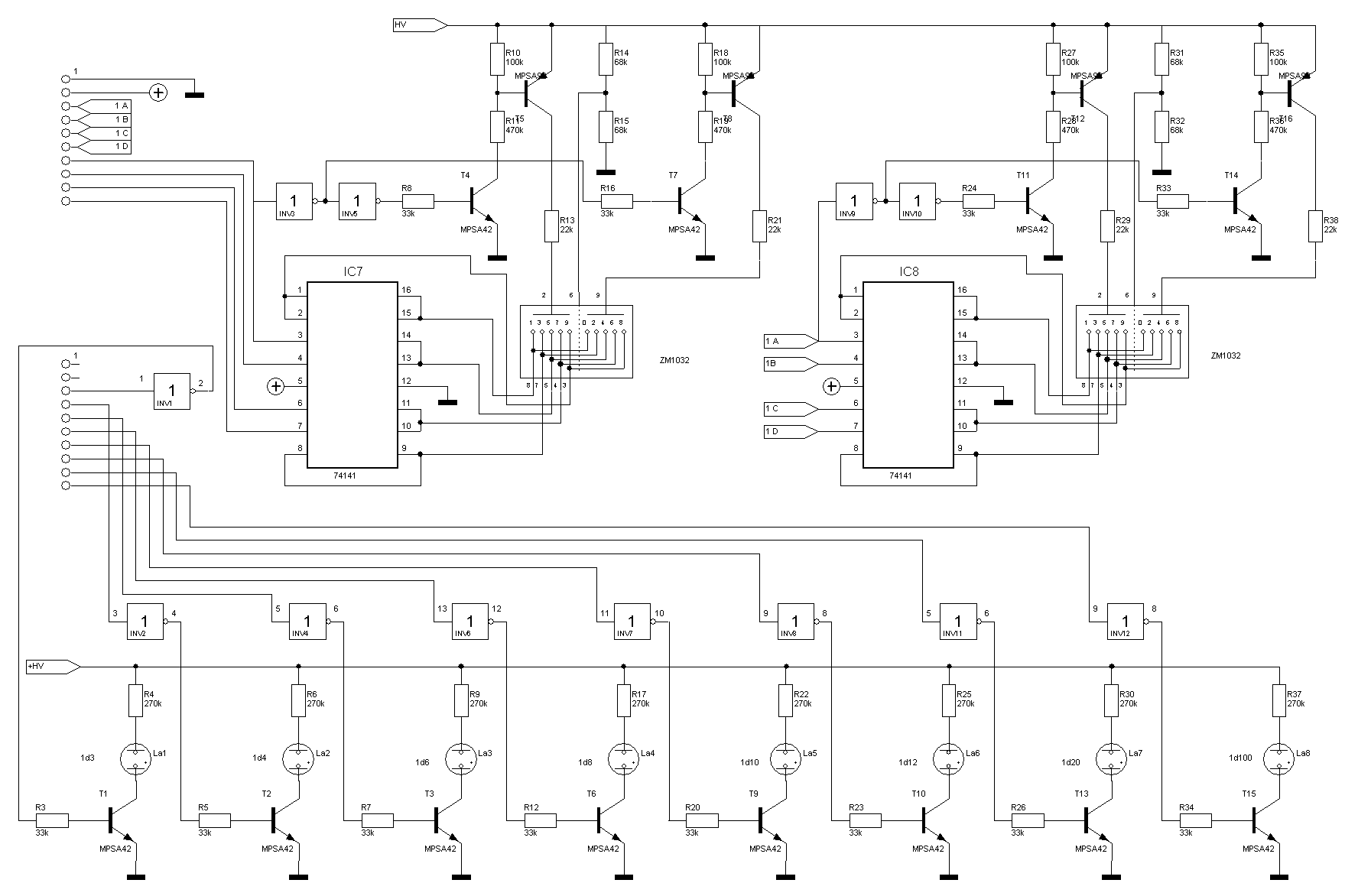
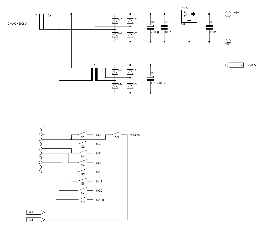
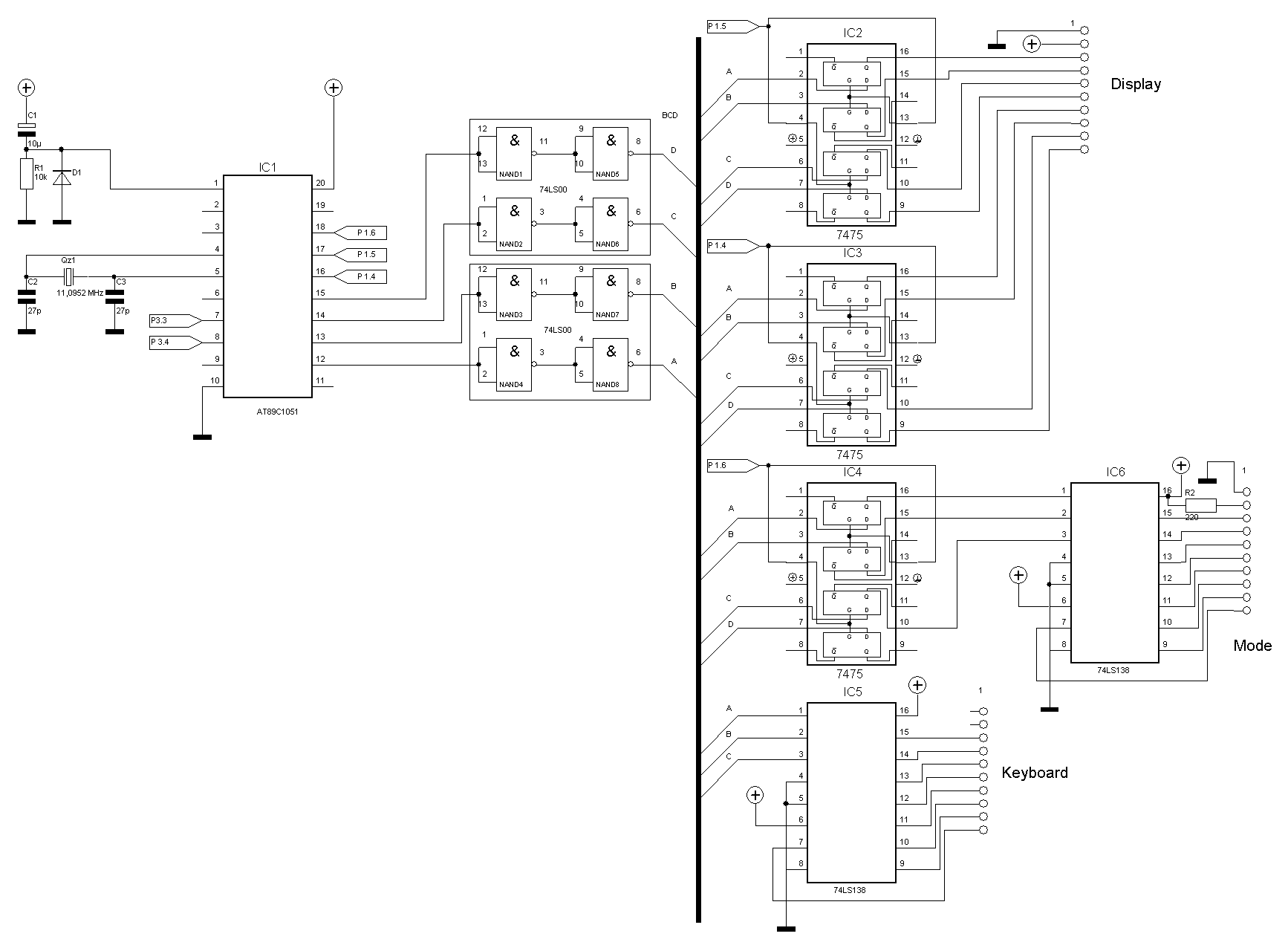
Circuit Diagrams
|
||
![]() |
![]() |
|
|
controller
|
display
|
keyboard & power
|
last modified 10.02.2004